Project from 3D constructor - https://dubina.biz




The all-wheel drive electric car Dubina Evo is equipped with two power units. There is one motor per wheel. The first power unit is installed in front of the monocoque, the second power unit is installed behind the monocoque. One power unit consists of two electric motors and two cylindrical gearboxes. The electric power unit is the heart of the car. It converts electrical energy into mechanical energy. The electric motor of the power unit is powerful, lightweight and silent. The Dubina Evo motor is a reversible brushless multi-pole electric motor. The brushless motor has a multi-pole neodymium permanent magnet in the rotor and magnets fed by electric current in the stator. This feature structurally distinguishes the brushless electric motor from other similar devices. The brushless electric motor rotates due to the consumption of direct electric current. The main difference and advantage is that the motor does not have a collector. This significantly reduces maintenance costs and time, reduces power consumption. Previously, due to the wear of the brushes of a collector electric motor, its current consumption could increase without a corresponding increase in power. Sparks formed on the brushes during the operation of the electric motor create radio interference. The method of making a brushless motor makes its design simple and compact, as well as economical and reliable. With the advent of neodymium magnet production technology, the power of brushless motors has increased, while the size, on the contrary, has decreased many times. But, unlike others, a brushless motor has a complex and expensive electronic control unit. The indisputable advantage of having such a control unit is the ability to change the speed of the operating electric motor. The control unit is responsible for the timely switching of the voltage supply to the windings corresponding to the rotation of the rotor. The voltage supply is switched by means of rotor position sensors. Voltage is supplied to the motor windings depending on the position of the rotor. Electronics determines the position of the motor rotor. For this, position sensors based on the Hall effect (SS41) are used. Thanks to such sensors, the electronic control unit always knows what position the rotor is in and which windings to apply voltage to at any given time.

Three-phase motor winding.
An electric motor requires a rapid change in the value and direction of the speed of movement. It is known from a physics course that the acceleration E during the rotational movement of any material body (in this case, the rotor of the engine) is directly proportional to the moment M acting on this body, and inversely proportional to the moment of inertia J of this body relative to the axis of rotation:
E=M/J
From the given formula it follows that to obtain large accelerations (decelerations), it is necessary for the engine to develop a significant torque M, and its rotor to have a small moment of inertia J.

1- Stator core; 2 – Neodymium rotor magnet; 3 – Rotor winding; 4 – Terminal box; 5 – Motor housing; 6 – Bearing cover; 7 – Shaft; 8 – Bearing.
Electric motor design
The expression for the maximum value of the motor torque Mmax in accordance with the formula can be written as follows:
Mmax = ВIS = 2ВILR
L- length of the frame conductors (length of the motor rotor);
R — distance from the axis of rotation of the frame to the conductors (radius of the motor rotor).
The moment of inertia J of a cylindrical body (motor rotor) relative to the axis of rotation is calculated by the formula:
J=mR2
m — mass of the cylinder (rotor);
R — radius of the cylinder (rotor).
Substituting the expressions into the formula leads to the following relationship:
E=2BIL/mr
The resulting formula determines the methods for increasing the speed of
the motor. They are as follows:
1) Increasing the induction of the magnetic field of the motor;
2) Making the motor rotor with the minimum possible mass
and with the maximum possible ratio of length to radius;
3) Increasing the current in the motor windings.
The rotor (anchor) weight of the motor is reduced by making it hollow. Permanent neodymium magnets are located on the anchor. The motor anchor is made in the form of a thin-walled cup made of non-magnetic material. For normal operation of a DC motor, it is necessary to change the direction of the current in the winding conductors when the rotor position changes. This switching in conventional DC motors is provided by a collector. The torque of an asynchronous motor with a squirrel-cage rotor changes depending on the rotor speed along a curve.
Torque Мвр — a measure of this force changing the angular
speed:
ω = 2πn / 60
n — motor speed, rpm.
There is the following relationship between the engine power P (W), angular velocity ω (rad/s), force F (N), pulley radius r (m), and torque Mvr (N m):
Mvr = P/ω = Fr
Substituting the value of the angular velocity ω, we obtain:
Mvr = P/ω = P/2πn/60 = 60P/2πn = 9.554P/n
The rotation frequency of the electric motor and torque change with the current without changing the gear ratio of the transmission, so there is no need for a gearbox in an electric vehicle. As a result, the smoothness of the electric vehicle increases and its control becomes easier.

Dependence of torque on rotation speed.
Engine braking*
The braking system is the vehicle control system that ensures safety when driving and stopping. The braking system serves to reduce the speed of movement, stop and hold the vehicle in place. The Dubina Evo is equipped with several braking systems with different purposes. The service braking system is designed to reduce the speed of movement of the vehicle up to its complete stop. It is the most effective of all braking systems, acts on all wheels of the vehicle and is used for service and emergency braking. The service braking system is called a foot braking system, since it is activated by the driver's foot from the brake pedal. The parking braking system serves to hold a stationary vehicle in place. It acts on the rear wheels of the vehicle. It is activated by the driver's hand from the lever, and is therefore called manual. A feature of the electric motor is the ability to instantly change the direction of rotation of the rotor. Thanks to this ability, the car has the ability to perform counter-current braking. When you press the brake pedal in the car's engines, the direction of the current changes, which creates a reverse torque. This technology simplifies the design of the car. Now the car does not have heavy mechanical brakes. Braking is performed at the software control level.
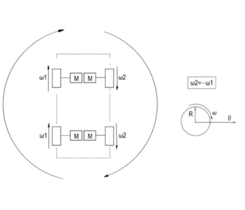
Movement of the car around the axis.
The Dubina Evo car can rotate around the axis. Because there is one motor for each wheel. Movement around the axis is activated by a button on the steering wheel.

Scheme of car movement around the axis
Recuperation.
While the car is rolling along the road without engine traction or when descending
a mountain, the engine continues to rotate. At this time, the rotor of the rotating
engine works as a current generator. The generated current in the stator winding is returned to the battery. To prevent energy from dissipating in the engine control circuit, the device turns on the engine as a generator. Such a device performs recuperation.
Hyperspeed.
The electric motor can operate for a short period of time with a peak current. The peak current has a high strength, which provides enormous power, but only for a short period of time. The peak current function is activated by a button located on the steering wheel.
Increased maneuverability.
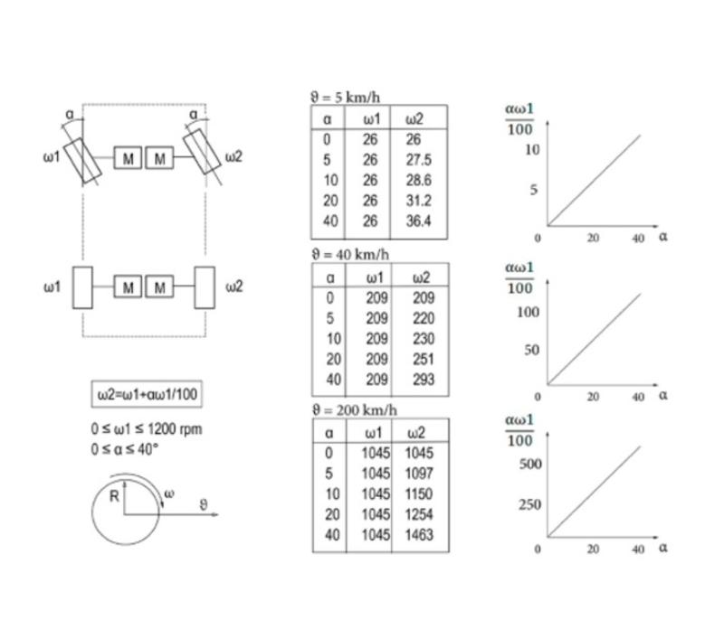
Dubina Evo has all-wheel drive. Each wheel has one motor. This design allows for increased maneuverability, by changing the wheel speed depending on the turning angle. The wheel that is at a larger radius when turning rotates with a frequency that exceeds the frequency of the other wheel by a percentage equal to the turning angle.

Scheme for increasing maneuverability
Please do not open any links and do not make calls (including WhatsApp) to any numbers from messages sent by accounts such as Grabcad Verification, etc. - these are phishing ones. Please do not make any payments. Our security team is currently working on a solution.